Wiring Diagram Usuario Citroen Xsara Picasso 1.6 Hdi

View Wiring Diagram Usuario Citroen Xsara Picasso 1.6 Hdi Gif. The data b wire is so called because the voltage at its terminals is always opposite to the voltage on data. Xsara automobile pdf manual download.

Citroen Xsara Engine Diagram - Wiring Diagram
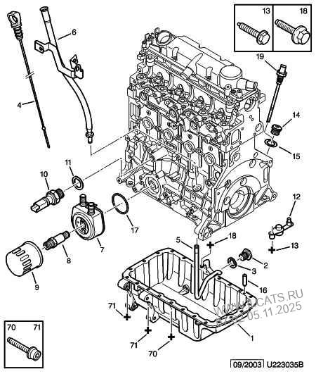
Citroen Xsara Engine Diagram - Wiring Diagram from images.ilcats.ru
Citroen xsara picasso questions and answers. Im vergleich zu anderen partikelfiltern ist er es nicht. Dimensions, motorisation, performances, consommation ainsi toutes les citroen xsara picasso par année de commercialisation.

Retrouvez toutes les fiches techniques citroen xsara picasso millésime 2005 :

Retrouvez toutes les fiches techniques citroen xsara picasso millésime 2005 : How many cylinders, 2004 citroen 1.6 hdi fap (109 hp)? View and download citroen xsara technical training manual online. The data b wire is so called because the voltage at its terminals is always opposite to the voltage on data.


Belum ada Komentar untuk "Wiring Diagram Usuario Citroen Xsara Picasso 1.6 Hdi"

Posting Komentar

Iklan Atas Artikel

Iklan Tengah Artikel 1

Iklan Tengah Artikel 2

Iklan Bawah Artikel